外设天下 - 电脑外设发烧友聚集地

12下一页
我的人缘0

[求助] 求安华高Avago7050激光引擎的采样率参数

15 9936
楼主
跳转到指定楼层
发表于 2009-4-30 07:52 只看该作者 倒序浏览 阅读模式
呵呵,有空了想自己做个鼠标玩玩、

1.gif (10.98 KB, 下载次数: 9)

1.gif
0
已赞
微信分享 收藏
回复

使用道具 举报

我的人缘0
2
发表于 2009-4-30 07:56 只看该作者
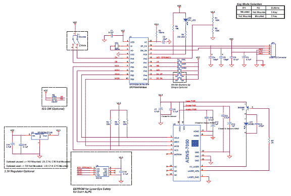
呵呵,有资料参考。

2.gif (27.84 KB, 下载次数: 9)

2.gif
我的人缘0
3
发表于 2009-4-30 08:08 只看该作者
这是什么....;mm7;
我的人缘0
4
发表于 2009-4-30 08:36 只看该作者
晕,我查不到,貌似是自动的,用Mouserate测试鼠标表现和其他的不一样,快速移动的时候竟然在0-1900之间飘动,咋回事??这也太高了吧,我看到过的最牛的鼠标也不过1000HZ多啊。
我的人缘0
5
发表于 2009-4-30 12:30 只看该作者
测试
好了,又来个牛人;mm5;
我的人缘0
6
发表于 2009-4-30 12:32 只看该作者
五一强人凸现~!~~~~
LX接招!@!;mm20;
我的人缘0
7
发表于 2009-4-30 12:38 只看该作者
又见 protel   我闪
我的人缘0
8
发表于 2009-4-30 12:51 只看该作者
我的人缘0
9
发表于 2009-4-30 13:15 只看该作者
这人要干啥?
我的人缘0
10
发表于 2009-4-30 13:20 只看该作者
测试
高人啊~~
12下一页
高级模式
B Color Image Link Quote Code Smilies |上传

本版积分规则